PRODUCTS

产品展示

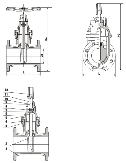
暗杆软密封闸阀
暗杆弹性座封闸阀,零用阀门整体包胶产生变形补偿作用达到良好的密封效果,克服了一般闸阀密封不良、漏水和生锈的现象,更有效的节约安装空间。 可广泛用于自来水、污水、建筑、石油、化工、食品、医药、轻纺、电力、船舶、治金、能源系统等流体管线上作为调节和截流装置使用。

暗杆弹性座封闸阀,零用阀门整体包胶产生变形补偿作用达到良好的密封效果,克服了一般闸阀密封不良、漏水和生锈的现象,更有效的节约安装空间。 可广泛用于自来水、污水、建筑、石油、化工、食品、医药、轻纺、电力、船舶、治金、能源系统等流体管线上作为调节和截流装置使用。

主要技术参数
公称压力:1.0~2.5MPa
工作温度:0~80℃
法兰标准:GB/T 17241.6 GB9113
公称通经:50~600mm
适用介质:水、油、气等
试验标准:GB13927 AP1598

返回
二维码